产品与解决方案
GGQ系列(高压交流电机)高压固态软起动器
- 详细描述
- 原理及特性
- 型号定义及选型说明
- 一次方案
GGQ系列软起动装置是采用了最新的电机控制理论和起动性能仿真技术及先进软件设计技术,结合先进的器件制造工艺及光纤传输技术组成的智能化工业控制系统。其控制中心部分采用双CPU工作内嵌DSP引擎的DSC控制器及单片机,具有快速中断处理能力及管理高速计算活动的数字信号处理器功能,实现了全数字自动控制,使软起动器具有很强的抗干扰能力和高可靠性,不会产生无故障停机现象。根据不同负载特征可任意设定起动参数,以达到最佳起动效果。使用该产品后能有效降低电动机起动电流,避免对电网的冲击;可减少相关配套电器的配电容量,节约增容投资。同时减少电动机及负载设备在起动时的机械冲击,延长了电动机及相关设备的使用寿命。完善可靠的保护功能,可确保电动机及相关生产设备在起动及运行过程中的安全使用。
应用于电压等级15KV及以下、功率20000KW及以下的高压笼式异步电动机或同步电动机,实现平滑软起动及软停车的控制。广泛应用于建材﹑冶金﹑矿山﹑石油化工﹑电力﹑造纸﹑水利﹑造船﹑等行业。

-
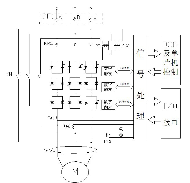
软起动装置的组成是由高压回路和低压控制回路及信号采样部分组成,高压回路是由傍路真空接触器KM1,起动真空接触器KM2,,晶闸管组件及其RC保护、电阻均压、过压保护器等辅助电路组,其中KM1的作用是当软起动装置起动完成后自动合上它,使电动机转运行时把主回路旁路短接。KM2起隔离作用,当软起动装置完成起动后它自动断开,避免晶闸管等电子器件受到主回路中的高电压冲击。电压互感器PT1PT2PT3,为控制回路提供电压同步信号,电压显示提供测量电压信号。电流互感器TA1TA2提供电流测量信号。晶闸管组件是主回路开通和关断的主器件,它的导通与关断是由光纤输入信号通过数字触发板控制,而另外一组光纤将晶闸管组件工作壮态信号输出到控制系统用于监控。RC保护、电阻均压、过压保护器等都是起保护晶闸管的作用。低压控制回路是由DSP及单片机组成中央控制单元、信号处理单元、输出输入接口单元、继电器输出控制等单元组成。中央控制单元主要是控制整个系统中的每个单元部分,然后根据每个单元的功能作用进行处理。信号采样及测量回路是由四路电压输入信号,三路电流输入信号,一路红外线测温信号组成,其主要作用是为控制中心提供输入输出信号源。
高压固态软起动器主电路一次控制方案及电气组成框图

GGQ系列软起动装置主要性能特征有:
产品安装使用简单免维护:软起动装置是一个完整的电动机起动控制及运行保护系统,在安装时只需连接电源线和到电动机电缆线,提供交流220V控制电源即可投入起动运行。因电子器件的固有特性其装置在使用过程中基本是免维护。
装置达到现场安装调试时(在加高压起动电动机前),可以使用三相低压(380V)电源对整个装置系统进行模拟试验及电气测试。
装置具有故障事件自动检测和断电记忆功能,便于故障的分析和排除。主要功能单元模块的控制信号输入和输出都装有很多发光二管 作为指示标识,可通过人眼观察整个起动及运行过程中功能单元模块是否工作正常,也可通过指示标识判断故障部位,给装置的使用及维护带来很多便利。
根据不同负载状况,装置可任意设定和修改多项起动参数,减少起动损耗,以最小的起动电流产生最佳起动转矩,平稳起动电机及拖动负载。当软起动装置控制系统出现故障时,可采用直起功能利用柜内高压真空接触器直接起动电动机,以保证生产的正常进行。
装置具有独特的晶闸管红外线测温功能,它可以安全准确测量温度的线性变化过程,保证了装置正常起动和运行的需要。装置系统状态及功能参数显示采用大中文屏实时显示,为了节省电能及屏的寿命,电路中设计了屏保功能,按任意按键或有起动信号输入即可激活背光,易于参数观察和修改。
装置具有多项保护和监控功能:晶闸管短路开路保护,晶闸管过温保护,起动超时保护,门未关好保护,过压、欠压保护,缺相保护,相电流不平衡保护,起动过流保护,运行过载保护,堵转等保护功能。装置在运行时主要是对电动机起监控功能作用。
-
-
分享
版权所有: 大禹电气科技股份有限公司 京ICP证000000号 电话:0712-2883450 地址:湖北孝感市航天大道2号




