产品与解决方案
GWJ系列无功功率补偿柜
- 详细描述
- 原理及特性
- 型号定义及选型说明
- 一次方案
使用范围
GWJ系列无功功率补偿柜适用交流频率50Hz,额定电压10kV母线及以下配电系统进行功率因数补偿,也适用于异步电动机的就地功率因数补偿,达到功率因数自动调整,减少无功损耗,稳定电网电压,减小电网奇次谐波,提高供电质量。
广泛应用于电力、机械制造、汽车、冶金、煤矿、化工、油田、电气化铁路等行业交流电力系统。

-
工作原理及特点
在感性电路中,电流矢量滞后电压矢量90°,而在容性电路中,电流矢量超前电压矢量90°,所以在以感性负载为主的电路中并联电容器,其电流矢量方向相反,无功分量能相互抵消,从而提高局部电网的功率因数,达到节能和提高电网质量的目的。
GWJ-J系列采用接触器分组投切方式,根据功率因数高低自动控制电容器投切,使功率因数达到设定要求;
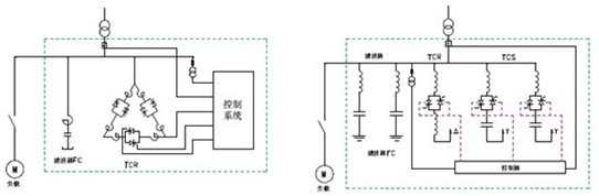
GWJ-D系列动态无功补偿装置有TCR+TSC方式,也可单独TCR形式和单独TSC方式,TCR+TSC方式主要由相控电抗器、滤波器组和控制系统组成。
1.无涌流:由控制器选择电压过零的时刻发出脉冲信号,晶闸管阀组在电压过零的时刻导通,电容器电压由零开始,不过渡过程,不会产生涌流,并能在方均根值不超过1.0×1.30In的电流下连续运行。
2.无过电压:电容器组的关断基于晶闸管反向阻断电流过零自然关断,不会产生常规短路器和接触器固有的切除载流过电压,装置的连续运行电压为1.05Un,且能在下表所规定的稳态过电压下运行相应的时间。
3.适应能力强:实行三相或分相动态补偿,适用于不对称负载或者冲击性负载。
4.动态反应速度快:控制器实施跟踪测量负荷的功率因数,与预先设定的给定值进行比较,动态控制投切不同组数的电容器(动态响应时间小于15ms),以保证功率因数始终达到设定要求。
5.系统抗干扰能力强:采用光电触发方式,保证了高低压电路的有效隔离,抗干扰能力强,触发同步性好,运行安全可靠。
6.使用寿命长:晶闸管开关由于其不存在机械动作,可以长期使用,使用寿命不低于25年,一般更长。接触器投切电容器组容易烧损合闸线圈、分闸线圈,需要不时更换。
7.免维护:晶闸管开关无油、无气、无易损部件,可以长期使用免维护,对于重污秽地区可能需要定期打扫卫生。
8.补偿效果好:能够实时动态的补偿无功,抑制谐波,抑制电压闪变,降低网损和变压器损耗,增加变压器带载容量。
-

产品规格

-
一次方案



分享
版权所有: 大禹电气科技股份有限公司 京ICP证000000号 电话:0712-2883450 地址:湖北孝感市航天大道2号