产品与解决方案
HPS进相器
- 详细描述
- 原理及特性
- 型号定义及选型说明
- 技术参数
- 一次方案
静止式进相器(以下简称进相器),是国内九十年代初诞生的高新技术产品。但随着社会的发展和科学技术的进步,其产品技术性能和使用也得到了很好的完善和提高。
HPS系列进相器主要是以电力电子器件组成的交—交变频器替代了传统的自激式旋转进相装置,它可以达到更好的补偿效果和更高的可靠性。
适用于高低压绕线式交流异步电动机的无功功率就地补偿。其中J型适用于拖动负载相对稳定,D型适用于拖动负载易变化的工况环境。
-
静止式进相器主要是采用交—交变频器,将 50HZ的工频电压转变与电动机转子电流同频的低频电压附加在电动机的转子回路,并使该附加电压滞后转子电流90°,达到电动机转子侧串接电容器的效果。这个附加电压是由50HZ的基波组成。图1为转子电流、附加电压、附加等效电压的关系图。

图1 转子电流、附加电压、附加等效电压的关系图
交—交变频器工作原理图
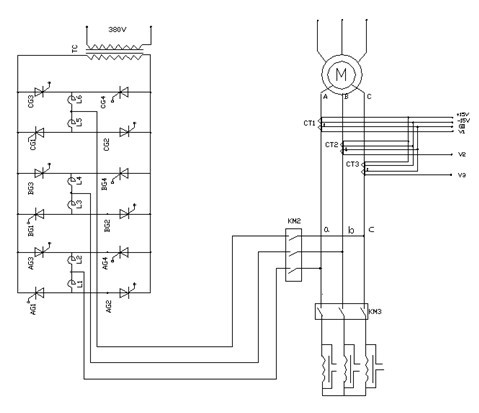
从图1我们可以看到,附加电压跟随转子电流变化,并且滞后转子电流90°,为了达到这个目的,我们必须对转子电流进行监测,才能达到我们的控制要求。图2是交—交变频器的原理图。CT1、CT2、CT3是隔离型霍尔电流传感器,用以检测电动机转子电流,SCR1—SCR12共十二只可控硅,L1—L6六只电抗器和变压器TC组成了交—交变频器。

图2 交—交变频器的原理图
在图2中,KM2、KM3为互锁式工作交流真空接触器,在未进相之前,由KM3的常开触头将电机的转子回路与起动柜相连,但进相之后,由KM2的常开触点将电机的转子回路转换到进相器控制回路。

HPSLC专用逻辑控制器,它是进相器的心脏部件之一。HPSLC是以单片机控制为核心,组成回路系统并控制进相器的各种信号单元,以实现进相器的各种功能特性。
交—交变频器
由可控硅组成的三相变频电路,以实现工频50HZ电压与电动机转子低频电流之间的转换,为电动机转子提供一个滞后转子电流90°的同频电压。
输出电路
由交流接触器KM2、KM3和电流传感器组成的三相输出电路,将三相变频电路输出的电压信号送到电动机转子回路。同时对电动机转子电流进行检测,为HPSLC提供电动机转子的实时低频电流信号。
辅助电路围绕着进相器的操作、显示、外围控制等一系列辅助功能而设计的电路。
特性:
1.本产品结构形式为无触点式工作,进相效果随电动机负载变化自动调节,不怕灰尘,很容易与电动机达到最佳配合,克服了旋转式进相机的很多缺点。
2.本产品能使电动机功率因数大幅提高,降低电机定子电流,即能有效地减少电动机供电线路的电压损失及电力损耗,节约有功功率。
3.本产品采用与起动柜联锁方式,进相操作必须在起动柜运行的条件下进行,起动柜停止运行后,进相器立即自动退相,能更好的保护电机和进相器的长期可靠运行。
4.本产品采用交—交变频与微机控制技术,真正做到无环流系统,使设备本身的能耗降低到最小,同时为了设备在运行使用的过程中可靠工作,特设有环流检测和控制功能。
5.本产品采用智能化技术,通过远程控制能自动进相与自动退相,具有自动故障诊断与退相功能,并且能自动将电动机转子回路切换到短接运行状态。
6.本产品全部采用电力电子器件,使用寿命长,安全可靠,维护费用低。
7.本产品采用的接线方式可以保证设备安装与调试或者维护过程中不会影响到电动机的正常运行。
-
-
技术指标
1、具有两种控制方式,集中控制:由上位机进行控制;机旁控制;
2、防护等级:IP30;
3、进相后可使交流绕线式异步电动机的功率因数达到0.95以上,无功功率下降60%以上;
4、进相后电机定子电流下降15%~20%左右,节约铜耗、线损20-30%,并显著降低定子的温升,提高电机的使用寿命
正常工作条件
1、周围空气温度上限不超过+40℃,下限不低于—25℃;大气相对湿度不超过85%;
2、安装地点无显著地摇动与冲击振动;海拔高度不超过2千米,特殊情况另议;
3、在无爆炸危险地介质中,且介质中无足以腐蚀金属盒破坏绝缘的气体与尘埃(包括导电尘埃);
执行标准
电气控制设备 GB/T3797-2005
低压成套开关设备和控制设备 GB/T14048. 1-2006: IEC947-1 : 2005
GB7251 . 1-2005 : IEC439 : 1992
Q/XD01-2007
-
分享
版权所有: 大禹电气科技股份有限公司 京ICP证000000号 电话:0712-2883450 地址:湖北孝感市航天大道2号


